產品核心元器件實現 100%純國產化,確保穩定可靠的供應鏈與質量。
采用 高精度磁式感應技術,提供單圈與多圈編碼器解決方案。
PROFINET I/O總線最大傳輸速率可達 100 Mbit/s,滿足高速工業通信需求。
單圈分辨率最高達 16位,多圈分辨率可達 14位,確保精準測量。
超強抗磁干擾能力,配備 LED狀態顯示,實現實時運行監控。
內置反短接與短路保護功能,有效降低安裝錯誤對編碼器的影響。


| 參數名稱 | SAS/M58A (實心軸) | SAS/M58C (盲孔型) |
|---|---|---|
| 功能特性 | ? 58mm 實心軸 | ? 58mm 盲孔型 |
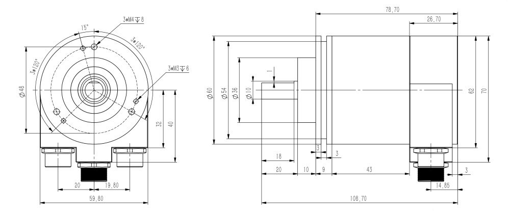
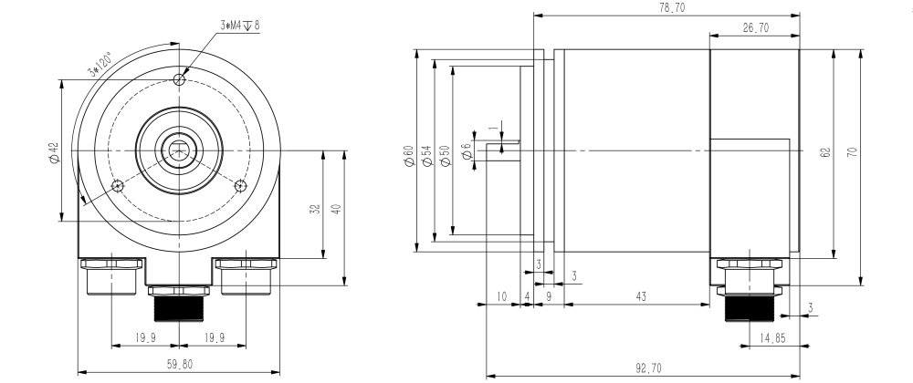
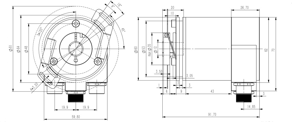
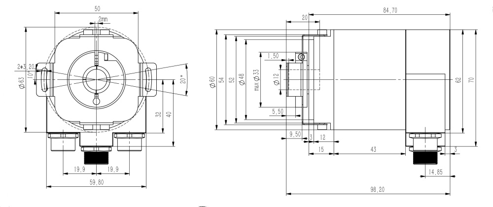
| 主軸尺寸 | ? 6、8、10、12、15mm(其它尺寸可定制 ) | |
| 外殼材質 | 鋁(可選不銹鋼外殼) | |
| 信號輸出接口 | PROFINET I/O | |
| 協議 | Profidrive Profile 4.x,Encoder Profile 4.0,4.1,4.2 | |
| 輸出驅動器 | Ethernet | |
| 功能 | 單圈或多圈 | |
| 電源電壓 | 10 ~ 30VDC | |
| 單圈分辨率 | 標準為12位4096、13位8192、16位65536,18位2677216 | |
| 圈數 | 1圈(單圈型)、多圈標準12位4096圈、多圈最大可選14位16384圈 | |
| 功耗 | ≤ 3W | |
| 啟動時間 | < 15s | |
| 接口周期時間 | ≥ 125μs | |
| 編程功能 | 分辨率,時基和速度,預設置,計數方向,IP地址 | |
| 傳輸速率 | 100Mbit | |
| 診斷 | 光電ASIC,內存,LED | |
| 編碼 | 二進制碼 | |
| 安全保護 | 反極性保護:有;短路保護:有;防雷擊防靜電保護:有 | |
| 物理性能 | 最大轉速:6000r/min | 主軸負載:徑向 200N,軸向 100N |
| 環境指標 | 防護等級:IP65或IP66 | 啟動力矩:< 0.05Nm |
| 溫度范圍 | 工作:-30℃…85℃(可定制-40℃…85℃);儲存:-40℃…100℃ | |
| 抗力指標 | 抗沖擊:1000m/s2,6ms(100g) | 抗振動:20g |
| 連接與出線 | 連接:3×M12接插件;出線:徑向側出,軸向后出 | |
| 描述項 | 規格內容 |
|---|---|
| 連接方向 | 徑向 |
| 總線接口 1 | M12,母型,4針,D碼 |
| 電源接口 | M12,公型,4針,A碼 |
| 總線接口 2 | M12,母型,4針,D碼 |






| SA | ① | 58 | ② | - | PN | ④ | ⑤ | - | ⑥ | - | ⑦ | ⑧ | ⑨ | - | ⑩ |
電話聯系:15050450799(微信同號)
? 昆山西威迪高科有限公司 網站地圖 蘇ICP備14036688號
蘇公網安備32058302003763號