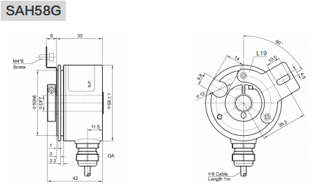
外形尺寸58mm實心軸、盲孔型或通孔型
精確的光電感應或磁感應技術、電磁兼容性好
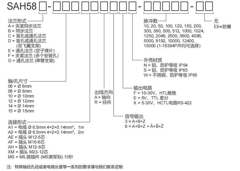
每圈脈沖數最高可達16384P/R
過壓、過流、浪涌沖擊保護
工作溫度可選低溫-40°C…高溫+110°C
堅固的金屬外殼、雙軸承設計、防護等級高達IP68
具備反短接和短路保護、有效降低安裝錯誤對編碼器造成影響




| 參數名稱 | SAH58A/B (實心軸) | SAH58C/D (盲孔/通孔型) |
|---|---|---|
| 法蘭特性 | 夾緊法蘭(A) / 同步法蘭(B) | 盲孔型(C) / 通孔型(D) |
| 主軸尺寸 | ? 6、8、10、12mm | ? 6、8、10、12、14、15mm |
| 外殼材質 | 鋁合金(可選不銹鋼外殼) | |
| 感應原理 | 光學或磁式 | |
| 電源電壓 | 5V ± 5%、10~30VDC、5~30VDC | |
| 輸出方式/信號 | HTL/推挽式、TTL/RS422;信號 A B Z + A/ B/ Z/ | |
| 響應頻率 | 300kHz max | |
| 物理保護 | 反極性保護:有;短路保護:有 | |
| 運動性能 | 最大轉速:12000r/min;主軸負載:徑向 80N,軸向 40N | |
| 環境指標 | 防護等級:IP65、IP68(可選);工作溫度:-40℃...+85℃ | |
| 啟動力矩 | < 0.01Nm (IP65) 、 < 0.05Nm (IP67) | |
| 機械強度 | 抗沖擊:2500m/s2, 6ms;抗振動:100m/s2, 10...2000Hz | |
| 每圈脈沖數 | 常用脈沖:1...10240;支持 16384 脈沖以內任何規格定制 | |
| 信號 | 0V | UB | NC | NC | A | A- | B | B- | 0 | 0- | 屏蔽 |
|---|---|---|---|---|---|---|---|---|---|---|---|
| M23接插件, 12針 | 10 | 12 | 11 | 2 | 5 | 6 | 8 | 1 | 3 | 4 | 10 |
| M12接插件, 8針 | 1 | 2 | - | - | 3 | 4 | 5 | 6 | 7 | 8 | 1 |
| MIL接插件(MS標準), 10針 | F | D | E | A | G | B | H | C | I | J | F |
| 接線顏色 | 白 | 棕 | - | - | 綠 | 黃 | 灰 | 粉 | 藍 | 黑 | 屏蔽 |
| 接插件類型 | 5針 M12接插件 | 8針 M12接插件 | 12針 M23接插件 |
|---|---|---|---|
| 連接座俯視圖 |
|
||





電話聯系:15050450799(微信同號)
? 昆山西威迪高科有限公司 網站地圖 蘇ICP備14036688號
蘇公網安備32058302003763號