Большие выходы типа шина со сквозным отверстием для облегчения монтажа
Высокоточные оптические датчики, однооборотные и многооборотные энкодеры
Однооборотное разрешение до 16 бит, многооборотное - до 14
Шина Profibus-DP, или на заказ для большего количества витков
Превосходная устойчивость к помехам магнитного поля, высокая степень защиты: до IP66
Защита от обратного короткого замыкания и короткого замыкания снижает влияние ошибок монтажа на энкодер.


| Название параметра | SAM90A (полый вал) |
|---|---|
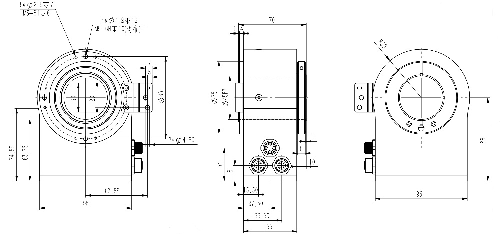
| Функциональные характеристики | Полый вал ? 90 мм |
| Размеры шпинделя | ? 12, 14, 15, 20, 25, 28 мм (другие размеры доступны по запросу) |
| Материал оболочки | Алюминий (опционально корпус из нержавеющей стали) |
| Интерфейс вывода сигнала | Шины Profibus-DP |
| Соглашение | DPV0, DPV1 и DPV2 Класс 2 (EN 50170 + EN 50254) |
| Выходной драйвер | Интерфейс данных Profibus, оптически изолированный |
| Функция | Один круг или несколько кругов |
| Напряжение питания | 10–30 В постоянного тока |
| Разрешение одного оборота | Стандартные значения: 12 бит (4096), 13 бит (8192) и 16 бит (65536). |
| Количество кругов | 1 оборот (однооборотный тип), стандартный многооборотный 12 цифр 4096 оборотов, максимальный многооборотный 14 цифр 16384 оборотов |
| Потребляемая мощность | ≤ 1,5 Вт |
| Время начала | < 1 с |
| Время цикла интерфейса | ≥ 1 миллисекунда |
| Возможности программирования | Разрешение, Коэффициент скорости + фильтр, Предустановка (нулевая точка), Направление счета, Предельный выключатель, Номер узла, Режим обучения, Режим диагностики |
| Скорость передачи данных | ≤ 12 Мбит |
| Ручная функция | Переключатель выбора адреса 0-99 и DIP-переключатель оконечного резистора (с распределительной коробкой) |
| кодирование | двоичный код |
| Защита безопасности | Защита от обратной полярности: Да; Защита от короткого замыкания: Да; Защита от молнии и электростатического разряда: Да |
| Физические свойства | Максимальная скорость вращения: 6000 об/мин; Нагрузка на шпиндель: радиальная 200 Н, осевая 100 Н |
| Класс защиты от проникновения | IP65 |
| Пусковой момент | < 0,05 Н·м |
| рабочая температура | -35 °C…85 °C (настраиваемый диапазон рабочих температур: -40 °C…85 °C) |
| Температура хранения | -40 °C…100 °C |
| Индекс сопротивления | Ударопрочность: 1000 м/с2, 6 мс (100g); Виброустойчивость: 20g |
| Способ подключения | 3×разъем M12 |
| Метод квалификации | Радиальный кабельный выход |
| Сигнал | Определение |
|---|---|
| ⊥ | Заземляющий провод шнура питания |
| B (слева) | Кабель для передачи данных B (пара 1), входящая линия |
| A (слева) | Кабель для передачи данных A (пара 1), входящая линия |
| (-) | 0 В |
| (+) | 10 В…30 В |
| B (справа) | Кабель для передачи данных B (пара 2), исходящая линия |
| A (справа) | Кабель для передачи данных A (пара 2), исходящий кабель |
| (-) | 0 В |
| (+) | 10 В…30 В |
| Источник питания необходимо подключить только один раз (независимо от того, какая группа клемм используется); при включении оконечного резистора выход BUS OUT отключается. | |

| Светодиод красный | Зеленый светодиод | Информация о состоянии/Возможные причины |
|---|---|---|
| 暗 | 暗 | Нет питания |
| 亮 | 亮 | Ротационный энкодер готов к работе, но еще не получил конфигурационные данные на основе напряжения; возможные причины: неправильные настройки адреса или неисправные соединения шины. |
| 亮 | 閃 | Ошибка распределения параметров или конфигурации: длина данных конфигурации или распределения параметров, полученных поворотным датчиком, вероятно, неверна или данные несовместимы; возможные причины: например, настройка общего разрешения чрезмерно высока. |
| 閃 | 亮 | Ротационный энкодер готов к работе, но не был задействован главной станцией (например, в случае неправильного адреса). |
| 亮 | 暗 | Ротационный энкодер не получил никаких данных в течение определенного периода времени (примерно 40 секунд) (возможно, произошло прерывание линии передачи данных). |
| 暗 | 亮 | Обмен данными работает в нормальном режиме. |
| 暗 | 閃 | Обмен данными работает в режиме отладки. |


| SA | ① | 90 | ② | - | DP | ④ | ⑤ | - | ⑥ | - | ⑦ | ⑧ | ⑨ | - | ⑩ |
Контактный телефон: 15050450799 (микрописьмо с номером)
? Kunshan Civiti High-Tech Co. Карта сайта Su ICP No. 14036688
Su Gong Network Security No. 32058302003763