G3/4螺紋可拆卸主軸,現場可更換適配器的螺紋軸,以減少停機時間
光電感應、雙隔離輸出,可用于冗余.
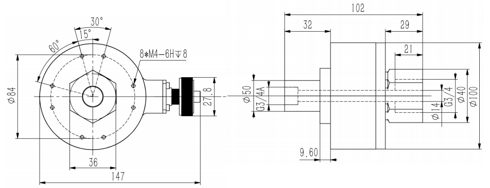
空心過氣孔14mm
EX 防爆型編碼器EX II 2G Ex ib IIB T4 Gb
堅固的鋁殼·極高的抗振動和沖擊能力·防護程度IP65/IP66·由不銹鋼制成的軸


| 參數項 | 規格內容 |
|---|---|
| 外徑 | ? 100mm |
| 軸規格 | G3/4螺紋主軸 |
| 材質 | 外殼:鑄鋁合金;軸:不銹鋼 |
| 感應原理 | 光電 |
| 分辨率 (步/圈) | 1...2500 |
| 電源電壓 | 5VDC、5~30 VDC |
| 輸出電路 | TTL (RS422)、HTL (功率驅動) |
| 輸出信號 | A B Z + 反相 |
| 輸出頻率 | ≤ 125kHz |
| 參考信號 | 零脈沖,寬度 90° |
| 空載/負載損耗 | ≤ 100mA |
| 運行性能 | 運行速度:≤ 6000rpm (機械);運行典型力矩:6Ncm |
| 允許軸負載 | ≤ 300N 軸向,≤ 450N 徑向 |
| 防護等級 | IP66 |
| 溫度范圍 | 工作溫度:-40℃...+100℃ |
| 抗干擾性 | DIN EN 61000-6-2 (抗干擾);DIN EN 61000-6-4 (允許干擾) |
| 物理特性 | 轉子慣量:510gcm2;重量:1.6kg |
| 機械耐受 | 振動:20g (10-2000Hz);沖擊:400g (6ms) |
| 信號 | 0V | UB | NC | NC | A | A- | B | B- | 0 | 0- | 屏蔽 |
|---|---|---|---|---|---|---|---|---|---|---|---|
| M23接插件, 12針 | 10 | 12 | 11 | 2 | 5 | 6 | 8 | 1 | 3 | 4 | 10 |
| M12接插件, 8針 | 1 | 2 | 3 | 4 | 5 | 6 | 7 | 8 | 1 | ||
| MIL接插件(MS標準), 10針 | F | D | E | A | G | B | H | C | I | J | F |
| 接線顏色 | 白 | 棕 | 綠 | 黃 | 灰 | 粉 | 藍 | 黑 | 屏蔽 |
| 接插件類型 | 5針 M12接插件 | 8針 M12接插件 | 12針 M23接插件 |
|---|---|---|---|
| 連接座俯視圖 |
|
||

| SAWD38 | - | ① | ② | ③ | ④ | - | ⑤ | - | R | ⑥ | - | ⑦ |
電話聯系:15050450799(微信同號)
? 昆山西威迪高科有限公司 網站地圖 蘇ICP備14036688號
蘇公網安備32058302003763號