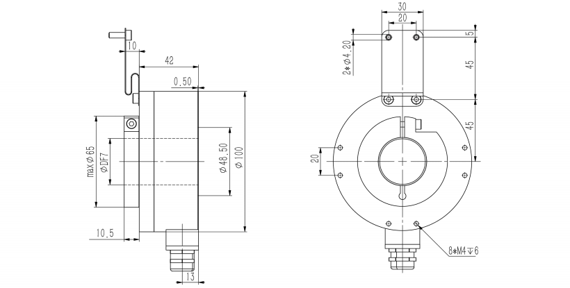
外形尺寸100mm通孔型、孔徑最大45mm
精確的光電感應或磁感應技術、電磁兼容性好
每圈脈沖數最高可達10000P/R
過壓、過流、浪涌沖擊保護
工作溫度可選低溫-40°C…高溫+110°C
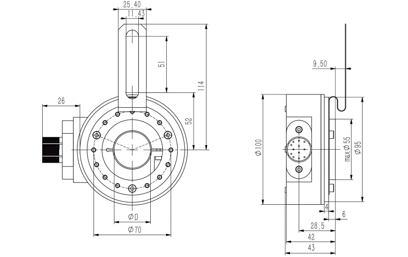
堅固的金屬外殼、雙軸承設計、防護等級高達IP65
具備反短接和短路保護、有效降低安裝錯誤對編碼器造成影響


| 參數名稱 | SAH100A / SAH100B (通孔型) | |
|---|---|---|
| 法蘭特性 | 通孔型 | |
| 主軸尺寸 | 通孔 ? 25, 30, 35, 38, 42, 45mm | |
| 外殼材質 | 鋁合金(可選不銹鋼外殼) | |
| 感應原理 | 光學 | |
| 電源電壓 | 5V ± 5%、10~30VDC、5~30VDC | |
| 輸出方式/信號 | HTL/推挽式、TTL/RS422;信號 A B Z + A/ B/ Z/ | |
| 響應頻率 | 300kHz max | |
| 物理保護 | 反極性保護:有;短路保護:有 | |
| 運動性能 | 最大轉速:6000r/min;主軸負載:徑向 150N,軸向 80N | |
| 環境防護 | 防護等級:IP65;工作溫度:-40℃...+85℃(可選 -40℃...+110℃) | |
| 啟動力矩 | < 0.01Nm (IP65) | |
| 抗力指標 | 抗沖擊:50g, 11ms;抗振動:10g, 10...2000Hz | |
| 每圈脈沖數 | 常用脈沖:1...10000;支持 10000 脈沖以內任何規格定制 | |
| 信號 | 0V | UB | NC | NC | A | A- | B | B- | 0 | 0- | 屏蔽 |
|---|---|---|---|---|---|---|---|---|---|---|---|
| M23接插件, 12針 | 10 | 12 | 11 | 2 | 5 | 6 | 8 | 1 | 3 | 4 | 10 |
| M12接插件, 8針 | 1 | 2 | - | - | 3 | 4 | 5 | 6 | 7 | 8 | 1 |
| MIL接插件(MS標準), 10針 | F | D | E | A | G | B | H | C | I | J | F |
| 接線顏色 | 白 | 棕 | - | - | 綠 | 黃 | 灰 | 粉 | 藍 | 黑 | 屏蔽 |
| 接插件類型 | 5針 M12接插件 | 8針 M12接插件 | 12針 M23接插件 |
|---|---|---|---|
| 連接座俯視圖 |
|
||



| SAH100 | ① | - | ② | ③ | ④ | ⑤ | - | ⑥ | - | ⑦ | ⑧ | - | ⑨ |
電話聯系:15050450799(微信同號)
? 昆山西威迪高科有限公司 網站地圖 蘇ICP備14036688號
蘇公網安備32058302003763號